PROGETTI
INDUSTRIALE
Spogliatoi e uffici presso Arsenale Triestino San Marco della Fincantieri SpA
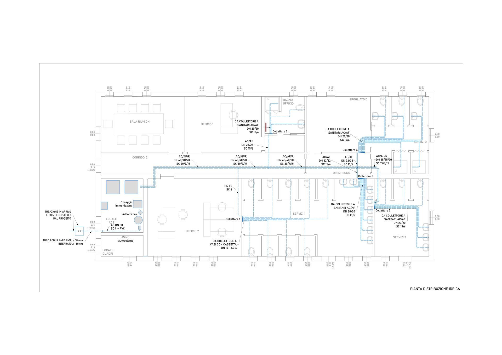
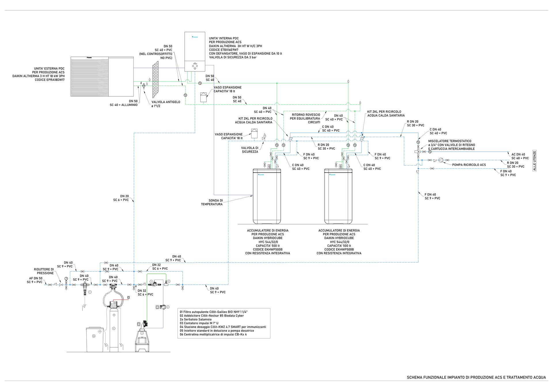
Progetto degli impianti di climatizzazione, produzione acqua calda sanitaria, idrico e scarichi
Collaborazioni: TE.S.S. Tecniche Servizi e Soluzioni srl
Spogliatoi stabilimento a Povoletto
Progetto dell'impianto di ricambio aria





